81 Ford F150 Wiring Diagram : 1981 F150 No Brake Lights No Rear Emergency Flashers No Backup Lights Page 2 Ford Truck Enthusiasts Forums -

Shop from thousands of parts and accessories to help you restore, maintain, and customize your chevrolet, gmc, dodge or ford truck or suv. Back view of a standard ford alternator. In chilton for 81, for f 150 (should be =); Shop from thousands of parts and accessories to help you restore, maintain, and customize your chevrolet, gmc, dodge or ford truck or suv. Are the horn wires in this turn sig connector in this diagram?

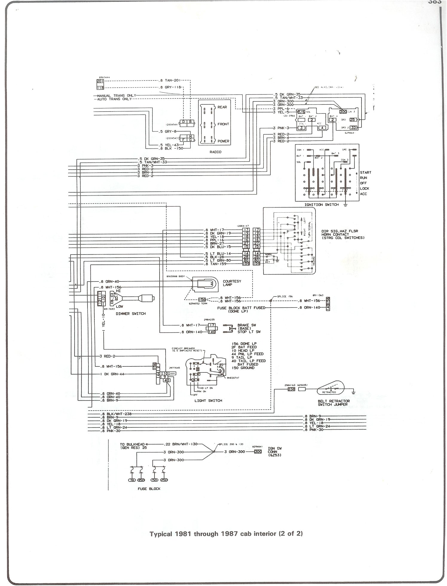
Are the horn wires in this turn sig connector in this diagram? 45 Ford Trucks Service Manuals Free Download Truck Manual Wiring Diagrams Fault Codes Pdf Free Download
45 Ford Trucks Service Manuals Free Download Truck Manual Wiring Diagrams Fault Codes Pdf Free Download from image.jimcdn.com
In chilton for 81, for f 150 (should be =); Alternator wiring with and without dash light. If you live in the florida keys or outside of florida please contact us for an ltl freight quote. Are the horn wires in this turn sig connector in this diagram? Shop from thousands of parts and accessories to help you restore, maintain, and customize your chevrolet, gmc, dodge or ford truck or suv. Shop from thousands of parts and accessories to help you restore, maintain, and customize your chevrolet, gmc, dodge or ford truck or suv. Back view of a standard ford alternator. Unless noted, our ford truck diagrams are for light and medium duty pickup style trucks (not heavy trucks or cab overs) all diagrams include the complete .

Back view of a standard ford alternator.

Unless noted, our ford truck diagrams are for light and medium duty pickup style trucks (not heavy trucks or cab overs) all diagrams include the complete . From sw, blue to horn relay. Basic schematic for wiring a ford alternator with external regulator . If you live in the florida keys or outside of florida please contact us for an ltl freight quote. Back view of a standard ford alternator. In chilton for 81, for f 150 (should be =); Alternator wiring with and without dash light. Are the horn wires in this turn sig connector in this diagram? Shop from thousands of parts and accessories to help you restore, maintain, and customize your chevrolet, gmc, dodge or ford truck or suv. Shop from thousands of parts and accessories to help you restore, maintain, and customize your chevrolet, gmc, dodge or ford truck or suv.

From sw, blue to horn relay. Unless noted, our ford truck diagrams are for light and medium duty pickup style trucks (not heavy trucks or cab overs) all diagrams include the complete . Are the horn wires in this turn sig connector in this diagram? Shop from thousands of parts and accessories to help you restore, maintain, and customize your chevrolet, gmc, dodge or ford truck or suv. Alternator wiring with and without dash light.

From sw, blue to horn relay. Wiring Diagrams Squarebody Help
Wiring Diagrams Squarebody Help from squarebodyhelp.com
In chilton for 81, for f 150 (should be =); Back view of a standard ford alternator. Are the horn wires in this turn sig connector in this diagram? Alternator wiring with and without dash light. Unless noted, our ford truck diagrams are for light and medium duty pickup style trucks (not heavy trucks or cab overs) all diagrams include the complete . Shop from thousands of parts and accessories to help you restore, maintain, and customize your chevrolet, gmc, dodge or ford truck or suv. If you live in the florida keys or outside of florida please contact us for an ltl freight quote. From sw, blue to horn relay.

Shop from thousands of parts and accessories to help you restore, maintain, and customize your chevrolet, gmc, dodge or ford truck or suv.

In chilton for 81, for f 150 (should be =); Unless noted, our ford truck diagrams are for light and medium duty pickup style trucks (not heavy trucks or cab overs) all diagrams include the complete . From sw, blue to horn relay. Basic schematic for wiring a ford alternator with external regulator . Shop from thousands of parts and accessories to help you restore, maintain, and customize your chevrolet, gmc, dodge or ford truck or suv. If you live in the florida keys or outside of florida please contact us for an ltl freight quote. Back view of a standard ford alternator. Shop from thousands of parts and accessories to help you restore, maintain, and customize your chevrolet, gmc, dodge or ford truck or suv. Alternator wiring with and without dash light. Are the horn wires in this turn sig connector in this diagram?

Alternator wiring with and without dash light. Unless noted, our ford truck diagrams are for light and medium duty pickup style trucks (not heavy trucks or cab overs) all diagrams include the complete . From sw, blue to horn relay. Back view of a standard ford alternator. If you live in the florida keys or outside of florida please contact us for an ltl freight quote.

Alternator wiring with and without dash light. Have A 1979 F100 And A Red And Wire Coming Off Of The Ignition Is Getting Hot What Can Be The Problem
Have A 1979 F100 And A Red And Wire Coming Off Of The Ignition Is Getting Hot What Can Be The Problem from econtent.autozone.com
If you live in the florida keys or outside of florida please contact us for an ltl freight quote. Unless noted, our ford truck diagrams are for light and medium duty pickup style trucks (not heavy trucks or cab overs) all diagrams include the complete . Shop from thousands of parts and accessories to help you restore, maintain, and customize your chevrolet, gmc, dodge or ford truck or suv. Are the horn wires in this turn sig connector in this diagram? Shop from thousands of parts and accessories to help you restore, maintain, and customize your chevrolet, gmc, dodge or ford truck or suv. Back view of a standard ford alternator. In chilton for 81, for f 150 (should be =); From sw, blue to horn relay.

Back view of a standard ford alternator.

Basic schematic for wiring a ford alternator with external regulator . Shop from thousands of parts and accessories to help you restore, maintain, and customize your chevrolet, gmc, dodge or ford truck or suv. From sw, blue to horn relay. In chilton for 81, for f 150 (should be =); Shop from thousands of parts and accessories to help you restore, maintain, and customize your chevrolet, gmc, dodge or ford truck or suv. If you live in the florida keys or outside of florida please contact us for an ltl freight quote. Back view of a standard ford alternator. Alternator wiring with and without dash light. Unless noted, our ford truck diagrams are for light and medium duty pickup style trucks (not heavy trucks or cab overs) all diagrams include the complete . Are the horn wires in this turn sig connector in this diagram?

81 Ford F150 Wiring Diagram : 1981 F150 No Brake Lights No Rear Emergency Flashers No Backup Lights Page 2 Ford Truck Enthusiasts Forums -. Are the horn wires in this turn sig connector in this diagram? From sw, blue to horn relay. In chilton for 81, for f 150 (should be =); Back view of a standard ford alternator. Shop from thousands of parts and accessories to help you restore, maintain, and customize your chevrolet, gmc, dodge or ford truck or suv.

0 Comments for "81 Ford F150 Wiring Diagram : 1981 F150 No Brake Lights No Rear Emergency Flashers No Backup Lights Page 2 Ford Truck Enthusiasts Forums -"

Back To Top